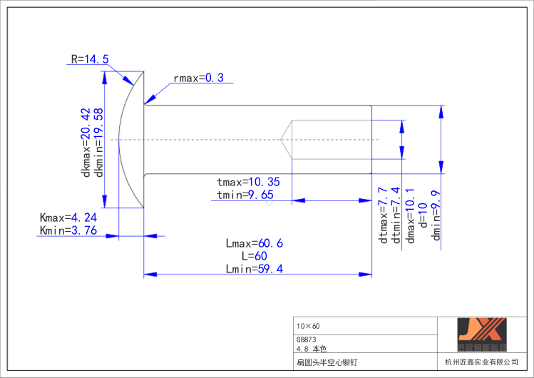
Hangzhou Jiangxin Industry Co., Ltd. bola založená v roku 2004. Je to národný high-tech podnik a vedecký a technologický podnik v provincii Zhejiang. Je to profesionálny výrobca spojovacích materiálov, ktorý integruje výrobu, výskum a vývoj a predaj. Vo svete má pokročilé zariadenia na výrobu spojovacích materiálov a na riadenie využíva pokročilý systém ERP. Poloslepý plochý okrúhly polorúrkový skrutkovací nit s veľkou hlavou Dodávatelia a továreň.
Spoločnosť prešla medzinárodnou certifikáciou systému manažérstva kvality IS09001 a má distribučné predajne a logistické distribučné centrá vo východnej Číne. Spoločnosť sa špecializuje na výrobu a prevádzku štandardných a neštandardných dielov ako je nemecký štandard (DIN), americký štandard (ANSI, ASME), medzinárodný štandard (ISO), národný štandard (GB), japonský štandard (JIS), a Britské štandardné (BSW), vysokopevnostné skrutky a vysokokvalitné rozpínacie skrutky. Materiály zahŕňajú rôzne uhlíkové ocele a nehrdzavejúce ocele (304 a 316). Výrobky sú široko používané v oblasti vysokorýchlostných železníc, automobilov, lodí, strojov, foriem, elektroniky a stavebníctva. Vlastné Poloslepý plochý okrúhly polorúrkový skrutkovací nit s veľkou hlavou. Vďaka dobrému výkonu, rýchlej inštalácii, krásnemu vzhľadu, stabilnej kompatibilite a mnohým ďalším výhodám je obľúbený u čínskych a zahraničných obchodníkov.
